Rabu, 30 November 2022
[33+] E Drone Dji Mavic Mini, DJI Mavic Mini, Drone Da 245g Con Il Sistema Radio Del Phantom 3 Pro
Manuale Drone Dji Mavic Mini Ecco Il Nuovo Drone Dji Mavic Mini!!
Mavic dji iniziare recensione techstart. Dji mavic mini, drone pieghevole da 249g con 30 minuti di autonomia. Ecco il nuovo drone dji mavic mini!!
manuale drone dji mavic mini
Download PDF
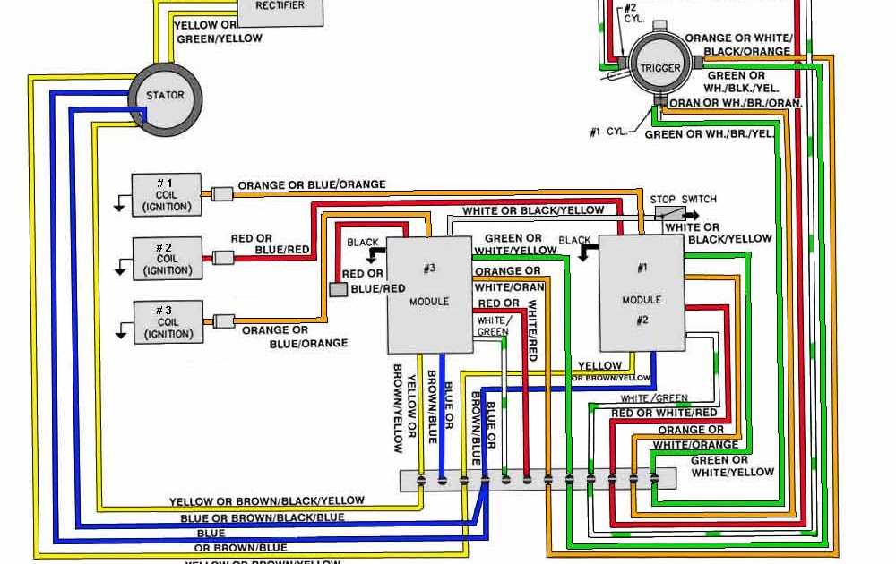
[35+] 90 Hp Yamaha Wiring Diagram, Yamaha Wiring Diagram Schematic 95 1100 - Wiring Diagram Schemas
90 Hp Yamaha Wiring Diagram Johnson 90 Hp Wiring Diagram
Yamaha 8 hp wiring diagram. Yamaha 2003 electrical schematic. Johnson 90 hp wiring diagram
90 hp yamaha wiring diagram
Download PDF
Langganan:
Komentar (Atom)














































